News:

SMF - Just Installed!

Main Menu

Problemas con reset en las salidas

Started by DTFG, October 18, 2018, 08:03:41 PM

Previous topic - Next topic

DTFG

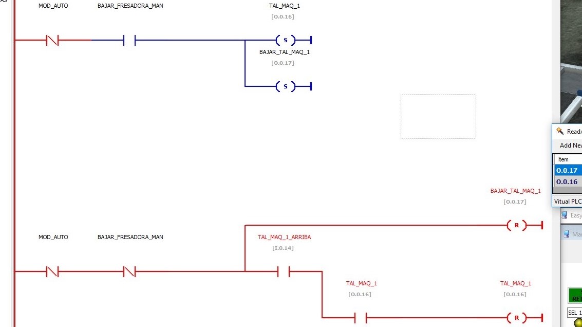
He realizado el siguiente código para el control en manual de una fresadora. Cuando suelto el botón de bajar fresadora la fresa empieza a subir hasta el sensor de posición superior, el problema es que cuando llega arriba sigue girando.
El programa ejecuta el reset de "BAJAR_TAL_MAQ_1" en cuanto suelto el botón de bajar, pero no hace el reset de "TAL_MAQ_1" cuando se activa el sensor de fresa arriba.
Observando el código en modo online veo que si que se ejecutan los reset pero luego mirando la tabla de variables veo que solo hace el reset de "BAJAR_TAL_MAQ_1" y no hace el reset de "TAL_MAQ_1
Para asegurarme de que no influye ninguna otra parte del código que tenía creado he creado una copia y he dejado en el programa solo la parte que se ve en la imagen ya que es la que da los problemas.
Me podéis ayudar por si fuera problema del software de EasyPLC ya que no le encuentro una explicación.
Muchas gracias












EasyPLC_Master

Hola!

Para poder ayudar es necesario que adjuntes el programa de EasyPLC con objeto de analizar como se comporta.

DTFG

Buenos días,

Os he enviado un correo con el programa a info@nirtec.com con el asunto:Programa con problemas en reset de salidas

Un saludo.

EasyPLC_Master

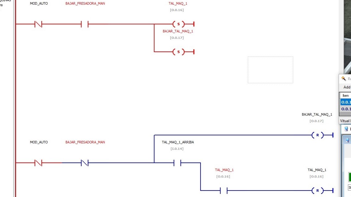
El problema está en la sintaxis de los segmentos ladder, si bien esta represantación sería correcta a nivel eléctrico, no respeta la norma de sintaxis de EasyPLC, donde según el manual explica, los segmentos se deben escribir de izquierda a derecha y de arriba abajo:

Pag 29 EasyPLC User Manual.pdf->

2.4.1.3 Segments
A segment is a group of Boolean conditions that ends in one o more coils. 
The writing of segments should always be from left to right and from up to down. Imaginarily, the current continues the
sense from left to right

Adjunto programa con sintaxis ladder correcta, y donde creo se resolverá el problema que indicas.